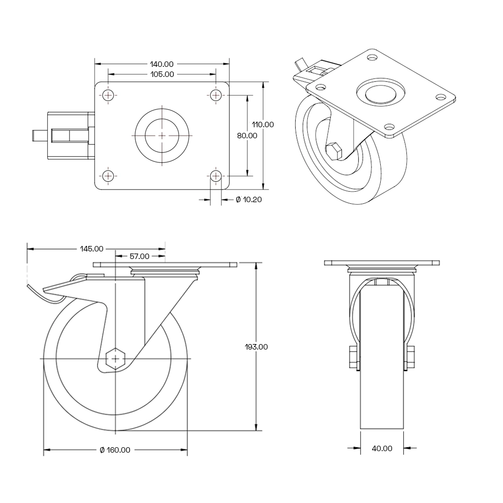
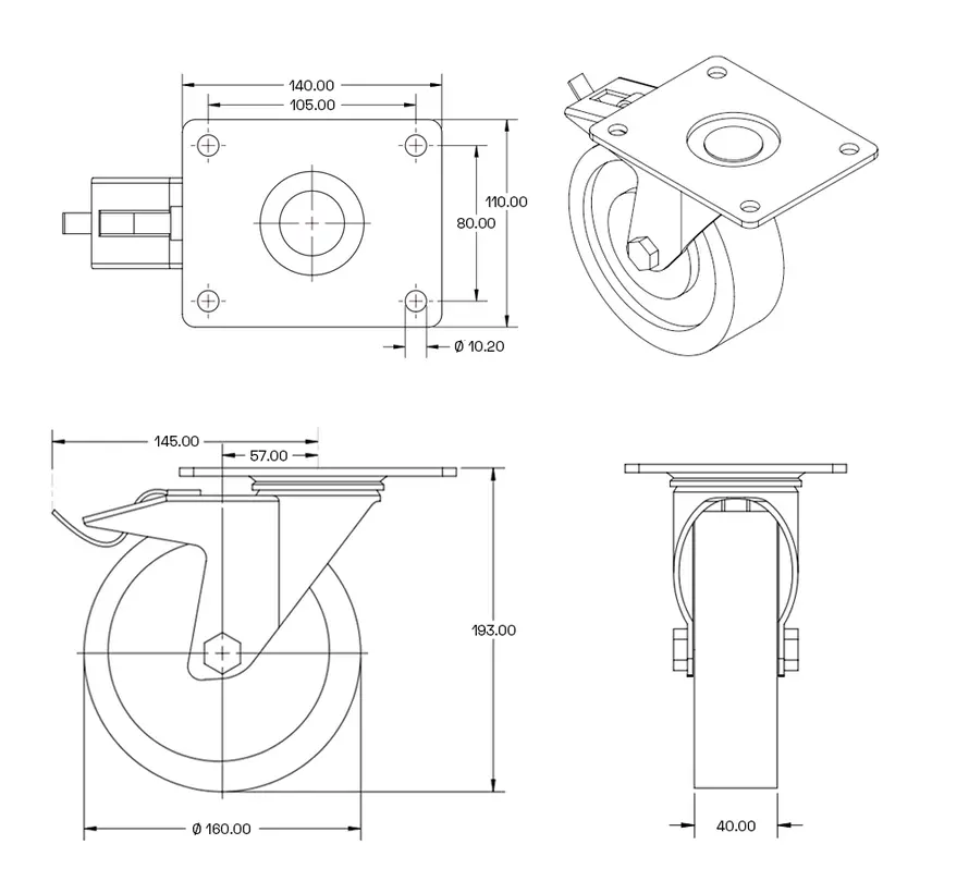
Svängbart gummihjul bromsat med topplatta - 160 mm - 140 kg
Detta länkhjul med broms i gummi har en diameter på 160 mm och en lastkapacitet på 140 kg.
Hjulets däck är av gummi och hjulhuset är av plast.
Detta länkhjul med broms i gummi har en topplatta, med vilken hjulet enkelt kan fästas med 4 bultar.
Detta bromsade länkhjul har dubbla bromsar, vilket innebär att när hjulet är på bromsen blockeras både hjulet och rotationsriktningen.
Under relaterade produkter kan du se de länk- och pendelhjul som detta bromsade länkhjul kan kombineras perfekt med, eftersom de har samma mått.
Gummihjul är den absolut mest ekonomiska lösningen och har goda rullegenskaper på mindre plana ytor med möjliga trösklar (85° Shore A). Hjulen är normalt slitstarka och lämpar sig för temperaturer från -20°C till +80°C.




