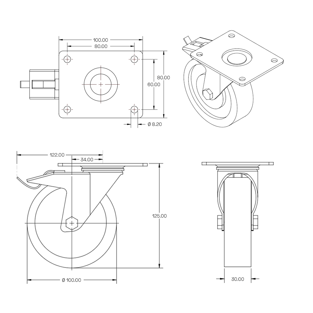
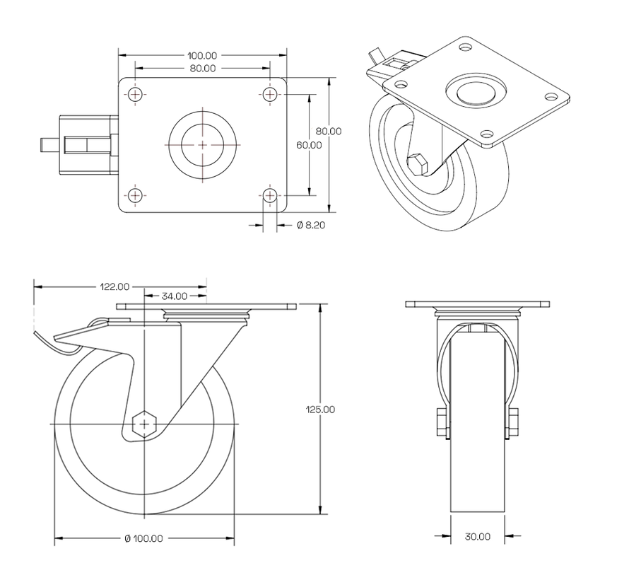
Blå PU rostfritt stålsvänghjul bromsat med topplatta - 100mm - 180kg
Bromsat länkhjul i rostfritt stål med topplatta och blått PU-däck för stabil och säker användning. 100 mm, 180 kg lastkapacitet.
Detta högkvalitativa hjul är utrustat med en dubbelbroms (både på hjulet och i rotationsriktningen) och är idealiskt för applikationer där stabilitet vid stillastående är viktigt. Det blå polyuretandäcket ger tyst gång och lämnar inga ränder, medan höljet i rostfritt stål gör hjulet motståndskraftigt mot fukt, rengöringsmedel och kemikalier. Med en lastkapacitet på 180 kg och en hjulstorlek på 100 mm är det här hjulet mycket användbart.

